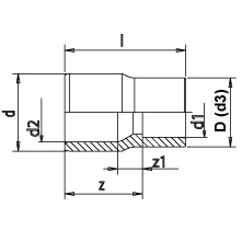
| d | d2 | d1 | d3 | DN | DN2 | DN1 | DN3 | D | l | z | z1 | PN | |||
| 12 | 8 | 10 | 8 | 6 | 13 | 27 | 15 | 3 | 16 | ||||||
| 16 | 12 | 10 | 16 | 10 | 8 | 6 | 10 | 16 | 30 | 18 | 6 | 16 | |||
| 20 | 16 | 12 | 16 | 15 | 10 | 8 | 10 | 19 | 33 | 22 | 7 | 16 | |||
| 20 | 16 | 15 | 10 | 22 | 34 | 20 | 16 | ||||||||
| 25 | 20 | 12 | 16 | 15 | 8 | 10 | 19 | 38 | 25 | 10 | 16 | ||||
| 25 | 16 | 20 | 10 | 22 | 39 | 25 | 16 | ||||||||
| 25 | 20 | 20 | 15 | 26 | 40 | 24 | 16 | ||||||||
| 32 | 25 | 16 | 25 | 20 | 10 | 22 | 44 | 30 | 11 | 16 | |||||
| 32 | 25 | 20 | 25 | 20 | 15 | 26 | 46 | 30 | 11 | 16 | |||||
| 32 | 25 | 25 | 20 | 31 | 48 | 30 | 16 | ||||||||
| 40 | 32 | 16 | 32 | 25 | 10 | 22 | 50 | 36 | 14 | 16 | |||||
| 40 | 32 | 20 | 32 | 25 | 15 | 26 | 52 | 36 | 14 | 16 | |||||
| 40 | 32 | 25 | 32 | 25 | 20 | 31 | 55 | 36 | 14 | 16 | |||||
| 40 | 32 | 32 | 25 | 39 | 59 | 37 | 14 | 16 | |||||||
| 50 | 40 | 20 | 40 | 32 | 15 | 26 | 60 | 44 | 18 | 16 | |||||
| 50 | 40 | 25 | 40 | 32 | 20 | 32 | 62 | 44 | 18 | 16 | |||||
| 50 | 40 | 32 | 40 | 32 | 25 | 39 | 66 | 44 | 18 | 16 | |||||
| 50 | 40 | 40 | 32 | 48 | 70 | 44 | 16 | ||||||||
| 63 | 50 | 25 | 50 | 40 | 20 | 32 | 73 | 54 | 23 | 16 | |||||
| 63 | 50 | 32 | 50 | 40 | 25 | 39 | 76 | 54 | 23 | 16 | |||||
| 63 | 50 | 40 | 50 | 40 | 32 | 48 | 80 | 54 | 23 | 16 | |||||
| 63 | 50 | 50 | 40 | 60 | 85 | 54 | 16 | ||||||||
| 75 | 63 | 32 | 40 | 65 | 50 | 25 | 32 | 42 | 85 | 62 | 25 | 16 | |||
| 75 | 63 | 40 | 50 | 65 | 50 | 32 | 40 | 52 | 88 | 62 | 24 | 16 | |||
| 75 | 63 | 63 | 65 | 50 | 50 | 75 | 101 | 62 | 25 | 16 | |||||
| 90 | 75 | 40 | 50 | 80 | 65 | 32 | 40 | 52 | 101 | 74 | 31 | 16 | |||
| 90 | 75 | 50 | 63 | 80 | 65 | 40 | 50 | 64 | 105 | 74 | 30 | 16 | |||
| 90 | 75 | 63 | 75 | 80 | 65 | 50 | 65 | 70 | 113 | 74 | 31 | 16 | |||
| 90 | 75 | 75 | 80 | 65 | 65 | 90 | 119 | 74 | 31 | 16 | |||||
| 225 | 200 | 160 | 200 | 180 | 150 | 186 | 260 | 174 | 68 | 16 | |||||
| Название | Наличие | |
|---|---|---|
| Редуктор | + | ![]() |
© 2025 630024, г. Новосибирск, ул. Ватутина 99/8, Тел. 8 (800) 301-43-80 карта сайта
Используя сайт, Вы даете согласие на обработку персональных данных