Звонок по РФ бесплатный: 8(800)301-43-80
Новосибирск +7(383)304-90-25
Москва +7(499)271-50-34
Краснодар +7(861)213-22-33

info@smp-baenninger.ru
beanninger
ПВХ
трубы и фитинги
(PVC-U)
/ Фитинги из PVC-U, устанавливаемые на клей

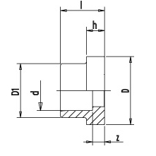
Адаптор под фланец (второй вариант)

d  DN  D  D1  l  z  h  PN 
16  10  29  22  17  16 
20  15  34  27  19  16 
25  20  41  33  22  16 
32  25  50  41  25  16 
40  32  61  50  29  16 
50  40  73  61  34  16 
63  50  90  76  41  16 
75  65  106  90  47  10  16 
90  80  125  108  56  11  16 
110  100  150  131  66  12  16 
140  125  188  165  81  14  16 
160  150  213  188  91  16  16 
225  200  274  248  125  25  10 

Название Наличие
Адаптор под фланец (второй вариант) + в корзину

Заявка на расчет


О компании   |   Продукция   |   Проекты   |   Услуги   |   Видео   |   Статьи   |   Документация   |   Контакты   |  

© 2025 630024, г. Новосибирск, ул. Ватутина 99/8, Тел. 8 (800) 301-43-80 карта сайта

Используя сайт, Вы даете согласие на обработку персональных данных

Файлы cookie

Яндекс.Метрика