Звонок по РФ бесплатный: 8(800)301-43-80
Новосибирск +7(383)304-90-25
Москва +7(499)271-50-34
Краснодар +7(861)213-22-33

info@smp-baenninger.ru
beanninger
Полиэтиленовые
трубы и фитинги
(PE 100)
/ Литые полиэтиленовые фитинги / Полиэтиленовые колена сформированные из литой трубы

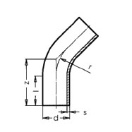
Колено 60°*

d

SDR 17

SDR 11

l

r

z

90

5,4

8,2

145

135

220

110

6,6

10,0

150

165

230

125

7,4

11,4

169

188

260

140

8,3

12,7

196

210

300

160

9,5

14,6

194

240

300

180

10,7

16,4

213

270

330

200

11,9

18,2

274

300

420

225

13,4

20,5

292

338

450

250

14,8

22,7

346

375

530

280

16,6

25,4

343

420

530

315

18,7

28,6

409

473

630

355

21,1

32,2

419

533

650

400

23,7

36,3

422

600

660

450

26,7

40,9

401

900

660

500 N E W

29,7

45,4

633

1000

1000

560 N E W 

33,2

50,8

874

1120

1520

630 N E W 

37,4

-

1050

1260

1778

710 N E W 

42,1

-

1116

1420

1936

800 N E W

53,3

-

1022

1600

1946

Название Наличие
Колено 60°* + в корзину

Заявка на расчет


О компании   |   Продукция   |   Проекты   |   Услуги   |   Видео   |   Статьи   |   Документация   |   Контакты   |  

© 2025 630024, г. Новосибирск, ул. Ватутина 99/8, Тел. 8 (800) 301-43-80 карта сайта

Используя сайт, Вы даете согласие на обработку персональных данных

Файлы cookie

Яндекс.Метрика