Звонок по РФ бесплатный: 8(800)301-43-80
Новосибирск +7(383)304-90-25
Москва +7(499)271-50-34
Краснодар +7(861)213-22-33

info@smp-baenninger.ru
beanninger
ПВХ
трубы и фитинги
(PVC-U)
/ Переходные фитинги из PVC-U

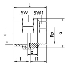
Разъемное соединение с вн. резьбой

d  Rp  DN  G  L  l  l1  z  SW  SW1  PN 
16  3/8  10  3/4  43  17  23  19  31  22  10 
20  1/2  15  47  19  25  19  38  25  10 
25  3/4  20  1-1/4  53  22  28  19  47  31  10 
32  25  1-1/2  59  25  31  20  53  38  10 
40  11/4  32  65  29  33  20  66  47  10 
50  11/2  40  2-1/4  73  34  36  23  72  53  10 
63  50  2-3/4  86  41  42  24  89  66  10 
75  21/2  65  3-1/2  96  47  46  25  109  83  10 
90  80  111  56  52  30  123  96  10 

Название Наличие
Разъемное соединение с нр. резьбой + в корзину

Заявка на расчет


О компании   |   Продукция   |   Проекты   |   Услуги   |   Видео   |   Статьи   |   Документация   |   Контакты   |  

© 2025 630024, г. Новосибирск, ул. Ватутина 99/8, Тел. 8 (800) 301-43-80 карта сайта

Используя сайт, Вы даете согласие на обработку персональных данных

Файлы cookie

Яндекс.Метрика