Звонок по РФ бесплатный: 8(800)301-43-80
Новосибирск +7(383)304-90-25
Москва +7(499)271-50-34
Краснодар +7(861)213-22-33

info@smp-baenninger.ru
beanninger
ПВХ
трубы и фитинги
(PVC-U)
/ Фитинги из PVC-U, устанавливаемые на клей

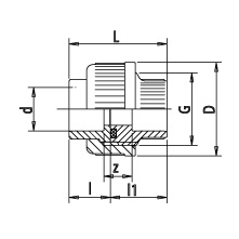
Резьбовое соединение

d  DN  G  L  l  l1  z  D  PN 
10  5/8  37  15  22  13  31  10 
12  5/8  37  15  22  13  31  10 
16  10  3/4  41  17  24  13  35  10 
20  15  46  19  26  13  43  10 
25  20  1-1/4  52  22  30  13  53  10 
32  25  1-1/2  57  25  32  13  60  10 
40  32  68  30  38  15  74  10 
50  40  2-1/4  79  35  44  17  83  10 
63  50  2-3/4  97  41  55  21  103  10 
75  65  3-1/2  108  47  61  20  122  10 
90  80  124  56  68  22  139 
110  100  138  66  72  16  164 

Название Наличие
Резьбовое соединение + в корзину

Заявка на расчет


О компании   |   Продукция   |   Проекты   |   Услуги   |   Видео   |   Статьи   |   Документация   |   Контакты   |  

© 2025 630024, г. Новосибирск, ул. Ватутина 99/8, Тел. 8 (800) 301-43-80 карта сайта

Используя сайт, Вы даете согласие на обработку персональных данных

Файлы cookie

Яндекс.Метрика